 |
Bombas centrífugas autoaspirantes 9 metros, adecuadas para trabajar en suministros domésticos, sistemas de riego, grupos de presión,...
Para aspiraciones superiores a 4 mts., es necesaria la ampliación de la tubería de aspiración a un Ø superior al de la boca de la bomba.
CARACTERISTICAS CONSTRUCTIVAS
• Cuerpo en fundición gris.
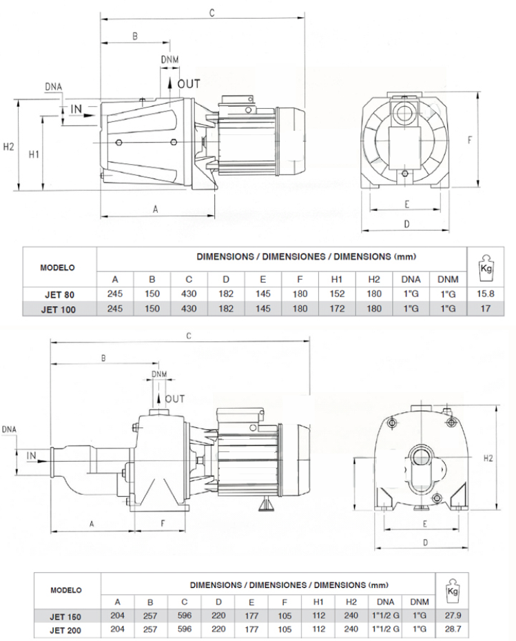
• Soporte en aluminio(JET-80/100)y fundición (150/200).
• Turbina, difusor y tubo venturi en Noryl®.
• Cierre mecánico en cerámica/grafito.
• Motor cerrado, protección IP-44, ventilación exterior, servicio continuo, aislamiento clase F, los monofásicos incorporan condensador y motoprotector amperimétrico.
• Tensión de alimentación: 1 x 230 v., 3 x 230/400 v.
• 2.900 r.p.m. 50 Hz.
CAMPO DE TRABAJO
• Aguas o líquidos limpios y no agresivos con los materiales constructivos.
• Máxima altura aspiración: 9 mts.
• Máxima temperatura del líquido: 40ºC. |