 |
Bombas centrífugas normalizadas monobloc, especialmente adecuadas para aplicaciones agrícolas, instalaciones industriales, equipos contra incendios,...
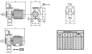
Construidas según norma DIN 24255.
También disponible en versión eje libre y sobre bancada.
CARACTERISTICAS CONSTRUCTIVAS
• Cuerpo, soporte, turbina y contrabridas en fundición gris (bajo demanda en bronce o en inox. AISI 316).
• Eje en acero inoxidable.
• Cierre mecánico en cerámica/grafito.
• Motor cerrado, protección IP-44, ventilación exterior, servicio continuo, aislamiento clase F.
• Tensión de alimentación: 3 x 230/400 v., 3 x 400/690 v. a partir de 7,5 cv.
• 2.900 r.p.m. 50 Hz.
|