tienda de bombas  

Clic en foto para ampliar    
Bombas multicelulares verticales aragon BOMBAS MULTICELULARES VERTICALES
Bombas multicelulares verticales

Bombas centrífugas multicelulares verticales, muy silenciosas, adecuadas para grupos de presión, equipos contra incendios, sistemas de riego, aplicaciones industriales...

CARACTERISTICAS CONSTRUCTIVAS

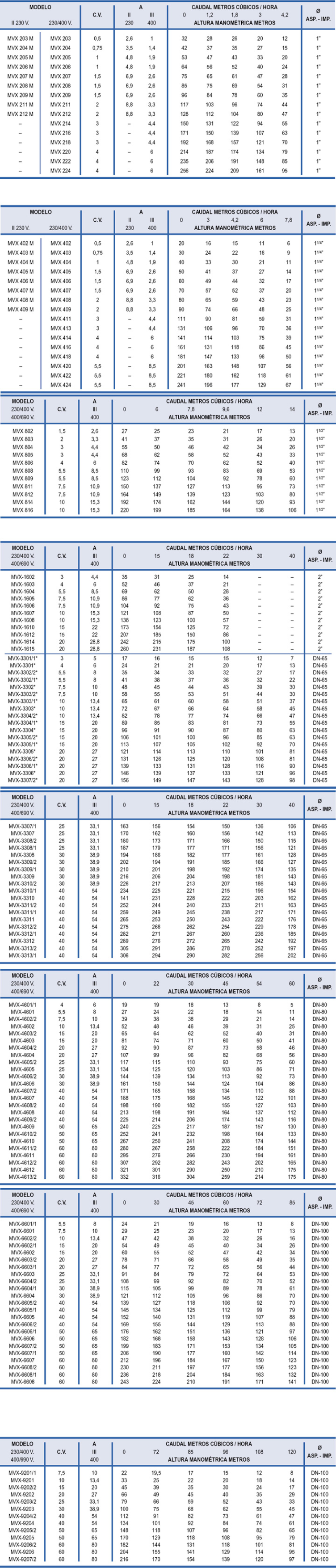
Serie MVX 2/4/8/16
• Cuerpo, camisa bomba, difusores, distanciador,plato porta cierre, protector acoplamiento y eje en acero inoxidable AISI 304 (bajo demanda en AISI 316).
• Camisa eje en carburo de tungsteno.
• Turbinas, tapones y muelle cierre mecánico en acero inoxidable AISI 316.
• Soporte en fundición gris.
• Cojinetes rozamiento eje en cerámica.
• Zócalo base en aluminio.
• Cierre mecánico en carburo de tungsteno/grafito.
• Contrabridas en acero zincado.

Serie MVX 33/46/66/92
• Camisa bomba, turbinas, difusores, distanciador,tampones y muelle cierre mecánico en acero inoxidable AISI 316L.
• Camisa eje en carburo de tugsteno.
• Eje en acero inoxidable AISI 421.
• Cuerpo, soporte y plato portacierre en fundición gris.
• Cojinetes rozamiento eje en grafito.
• Protector acomplamiento en acero inoxidable AISI 304.
• Cierre mecánico en carburo de tungsteno/grafito.
• Motor cerrado, protección IP-55, ventilación exterior, servicio continuo, aislamiento clase F.
• Tensión de alimentación: 1 x 230 v., 3 x 230/400 v., 3 x 400/690 v. a partir de 7,5 cv.
• 2.900 r.p.m. 50 Hz.

 

CAMPO DE TRABAJO

Aguas o líquidos limpios y no agresivos con los materiales constructivos.
• Máxima altura aspiración: 6 mts.
• Mínima temperatura del líquido: -25ºC.
• Máxima temperatura del líquido: 120ºC.
• Máxima presión de trabajo:
MVX-200/400/800/1600: 25 Kg/cm2.
MVX-3300 a 3306: 16 Kg/cm2.
MVX-3307 a 3313: 25/40 Kg/cm2.
MVX-4600/66000/92000: 16/25 Kg/cm2.

  Bombas multicelulares verticales zaragoza
  • Curva Caracteristicas
  • Despiece
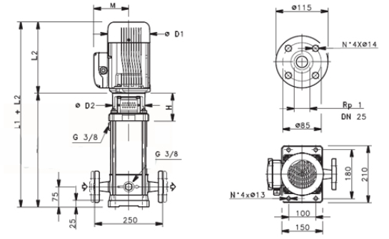
  • Dimensiones
ContenBombas multicelulares verticalesido 1
ConteBombas multicelulares verticales la riojanido 2
ContBombas multicelulares verticales navarraenido 3
   

 

 

Aviso Legal - Inicio - Empresa - Tienda - Catalogo - Fabricacion - Contactar - Mapa Web
Bombas Volum - Escoriaza y Fabro, 40 - 50010 Zaragoza
TALLERES   INDUSTRIAS CEMU